Schémas à base de circuits intégrés NE602
Le circuit intégré NE602 est un mélangeur équilibré efficace
pouvant être utilisé dans les récepteurs superhétérodynes dans
les gammes HF-VHF-UHF ou même pour réaliser d’excellents
convertisseurs ou des instruments de mesure ; ce circuit intégré
est en effet capable de travailler jusqu’à environ 500 MHz. Cet
article vous propose une douzaine d’exemples d’applications.
Voici en effet un article tout entier dédié au circuit intégré NE602 –un peu moins connu que le légendaire NE555, mais tout de même le plus remarquable des “seconds rôles” : ce “mixer” (mélangeur) est doté d’une sortie symétrique et il contient un oscillateur en mesure de travailler jusqu’à 200 MHz ; son entrée, elle-même symétrique peut amplifier 5,6 fois n’importe quel signal jusqu’à une fréquence de 500 MHz. Son boîtier est un 2 x 4 broches (voir figure 1) et ce composant trouve sa place naturelle dans les récepteurs radio couvrant toutes les fréquences jusqu’à l’UHF (0,5 GHz) mais aussi dans les convertisseurs et les appareils de mesure, jusqu’à cette même limite du demi GHz bien sûr. Voici ses caractéristiques :
Caractéristiques techniques du circuit intégré NE602
Tension d’alimentation .......................... de 5 à 8 V
Courant consommé ................................ de 2,4 à 2,8 mA
Fréquence maximale d’entrée............... 500 MHz
Amplitude min du signal d’entrée ......... 0,3 μV
Amplitude max du signal d’entrée ........ 300 mV
Fréquence max de l’oscillateur ............ 200 MHz
Gain moyen.............................................. 15 dB
Impédance d’entrée .............................. 1, 5 k
Impédance de sortie............................... 1,5 k.
Comment l’utiliser :
Avant de vous présenter les schémas d’applications, nous devons vous expliquer (vocation de didacticiens oblige ! Eh oui, même en été…) comment fonctionne un mélangeur équilibré. Aux broches du mélangeur (broches 4 et 5) on relie un circuit accordé MF (moyenne fréquence), à 455 kHz (c’est une des fréquences standards, utilisée en ondes moyennes) ou à 10,7 MHz (en OC, en VHF et en UHF). La MF peut avoir
une fréquence non standard, par exemple 15-30-100 MHz, mais on s’efforce normalement de choisir 455 kHz ou 10,7 MHz car on trouve, pour ces fréquences, des selfs, des transformateurs sous blindages et avec noyaux réglables et des filtres céramiques tout prêts, normalisés.
Sur les broches 7 et 6 de l’étage oscillateur, on monte une autre self laquelle, en fonction de sa valeur en μH ou mH détermine une fréquence précise qui sera ensuite convertie sur la valeur de la MF choisie. Supposons une MF à 10,7 MHz (4-5) et une self reliée à l’oscillateur (7-6) produisant une fréquence de 42 MHz : le mélangeur convertit la fréquence appliquée broches 1 et 2 en une fréquence égale à :
F osc + MF ou bien F osc – MF.
Par conséquent, en prenant les valeurs de ce premier exemple, les deux fréquences que nous pourrions convertir sur la MF à 10,7 MHz sont :
42 + 10,7 = 52,7 MHz et 42 – 10,7 = 31,3 MHz.
Si on a besoin d’une fréquence de 52,7 MHz, on doit accorder l’étage d’entrée (1-2) avec une self accordée sur 52,7 MHz et si c’est une fréquence de 31,3 MHz qui nous intéresse, la self de l’étage d’entrée doit être accordée sur 31,3 MHz.
Figure 1 : Schéma synoptique
interne et brochages vus de dessus
(à gauche) et de dessous (à droite)
du circuit intégré NE602 dont cet
article propose de nombreux schémas
d’applications.
Figure 2 : Un signal HF, prélevé sur
un générateur ou une antenne, est
relié à la broche 1 à travers un condensateur
C1 de 2,2 nF ; la broche
opposée 2 est à la masse à travers
un condensateur de 10 nF.
Figure 3 : Variante du circuit précédent
pour entrer dans les broches
1-2 avec un signal accordé sur une
fréquence bien précise. Pour calculer
la valeur Z en μH de la self L1, voir la
formule dans le texte de l’article.
Figure 4 : Pour entrer dans les broches
1-2 avec un signal symétrique, on peut
bobiner sur la self d’accord L1 une L2
de 2 ou 3 spires. Si les selfs sont protégées
par un blindage métallique, vous
devez le relier à la masse directement.
La valeur Z de la self L1 peut se calculer
à l’aide des formules données dans
le texte de l’article.
R1.................................................. 10 k potentiomètre multitour
R2.................................................. 100 k
C1.................................................. 10 nF céramique
C2.................................................. 47 pF céramique
C3.................................................. 2,2 nF céramique
C4.................................................. 10 nF céramique
L1 .................................................. self d’accord
DV1-DV2........................................ diodes varicap
IC ................................................... NE602
Figure 5 : Pour accorder la self L1 au moyen des varicap, utilisez ce circuit.
Ici aussi, pour calculer la valeur Z de la self L1 en fonction de la fréquence,
retrouvez les formules dans le texte de l’article.
C1........................ 1 nF
C2........................ 1 nF
T1 ........................ voir figure 7
IC ......................... NE602
Figure 6 : Si vous souhaitez réaliser
une entrée à large bande fixe (non
accordable), utilisez un noyau de ferrite
(voir figure 7) ; quand vous connectez
les enroulements, qui sont en
opposition de phase, n’intervertissez
pas les extrémités 1-3 et 2-4.
Figure 7 : Sur le noyau de ferrite à
deux trous T1, bobinez 2 spires pour
L1 comme pour L2 en utilisant deux
fils isolés de couleurs différentes
(cela vous permettra ensuite de
distinguer les extrémités 1-2 de L1
et 3-4 de L2). Pour le montage de ce
transformateur T1 dans le circuit,
voir figure 6.
Figure 8 : Toujours avec un noyau de
ferrite à deux trous (voir figure 9), on
peut réaliser une entrée à large bande
en bobinant 1 spire pour le primaire
(1-1) et 3 spires pour le secondaire
(2-2). Pour ce circuit, il n’est pas
nécessaire de respecter le début et
la fin des deux enroulements.
Figure 9 : L’enroulement primaire à 1
spire est bobiné dans les deux trous
(1-1), ainsi que le secondaire à 3 spires
(2-2). Afin de ne pas confondre le
primaire à 1 spire et le secondaire à
3 spires, utilisez des
Les broches 1-2 des entrées :
Dans le schéma de la figure 2, le signal HF est appliqué sur la broche 1 à travers un condensateur céramique
C1 de 2,2 nF ; on a relié la broche 2 à la masse à travers un condensateur céramique C2 de 10 nF.
Etant donné que sur l’entrée ne se trouve aucun circuit accordé, nous trouverons à la sortie de la MF une
fréquence convertie sur ces valeurs :
F osc + MF ou bien F osc – MF.
Pour entrer par les broches 1-2 avec un signal accordé sur une fréquence bien précise, nous devons réaliser le circuit de la figure 3 : il utilise une self L1 accordée sur la fréquence désirée par le condensateur ajustable C2. Le schéma de la figure 4 est une variante de celui de la figure 3 : en effet, sur la self L1 on a bobiné les 2 à 3 spires de L2 que nous relierons aux broches 1-2.
Supposons que le condensateur ajustable ait une capacité maximale de 100 pF, nous pouvons calculer la valeur inductive Z de L1 en μH en utilisant la formule :
Z = 25 300 : F² x C2
Z étant en μH, F en MHz et C en pF.
Pour s’accorder sur la fréquence de 52 MHz nous choisissons une valeur Z de L1 égale à :
Z = 25 300 : 52² x 60 = 0,155 μH.
Note : nous avons inséré pour C2 une valeur de 60 pF, soit la moitié de la capacité maximale d’un 100 pF afin de compenser les capacités parasites.
Supposons que dans le circuit une capacité parasite de 20 pF soit présente, la valeur que C2 peut prendre ira de 30-40 pF à 120-130 pF et donc pour savoir sur quelle fréquence notre circuit d’accord pourra s’accorder, nous nous servirons de la formule :
F = 159 : √ZxC2
Z étant en μH, F en MHz et C en pF.
Le circuit s’accordera donc sur les fréquences allant de :
F = 159 : √0.155 x 30 = 73 MHz
à
F = 159 : √0.155 x 130= 35 MHz.
Si nous voulons réaliser un circuit s’accordant sur la fréquence de 31 MHz, nous devrons choisir pour L1 une valeur :
Z = 25 300 : 31² x 60 = 0,438 μH.
Le circuit s’accordera donc sur les fréquences
allant de :
F = 159 : √0.438 x 30= 43 MHz
à
F = 159 : √0.438 x 130 = 21 MHz.
Si vous voulez un circuit d’accord variable, prenez le schéma électrique de la figure 5. La self d’accord L1 est en parallèle avec deux diodes varicap DV1-DV2 et ce circuit accordé est relié à la broche 1.
Pour faire varier la capacité des varicap nous leur appliquons une tension variable prélevée sur le potentiomètre multitour R1 de 10 k. Pour connaître la valeur de L1 (une simple self HF faisant l’affaire),
on se sert de la formule :
Z = 25 300 : F² x C
Z étant en μH, F en MHz et C en pF.
N’oubliez pas que nous relions deux varicap aux extrémités de L1 et que donc leur capacité est divisée par deux : avec deux varicap de 40 pF, cela fera 40 : 2 = 20 pF, capacité à laquelle il faudra ajouter les
capacités parasites (10-11 pF environ) ; la valeur minimale sera donc de 15 pFenviron et la maximale de 32 pF environ et par conséquent si nous insérons dans le circuit une L1 de 1 μH, ce circuit s’accordera de :
159 : √ 1 x 15= 41 MHz
à
152 : √ 1 x 32= 28 MHz.
Si vous préférez réaliser un circuit à large bande, prenez le schéma de la figure 6 : à l’intérieur des 2 trous du noyau de ferrite de la figure 7, bobinez 2 spires d’une paire isolée ; à l’extrémité du premier enroulement
marquée 1 on connecte l’antenne et à l’autre marquée 2 le condensateur C2 de 1 nF, ce dernier étant à son tour relié à la broche 2 du NE602 ; l’extrémité du second fil marquée 3 est connectée au condensateur C1 de 1 nF allant à la broche 1 et l’autre marquée 4 à la piste de masse.
La figure 8 donne une variante de ce circuit : il utilise aussi un noyau de ferrite à deux trous, mais le premier enroulement est à 1 spire (extrémités marquées 1-1) et le second à 3 spires (extrémités marquées 2-2). Pour ces enroulements, on utilise aussi deux fils fins isolés (peu importe le diamètre). Le fil 1 est relié par une extrémité à l’antenne et par l’autre à la masse. Le fil 2 est relié par ses deux extrémités aux deux broches 1 et 2.
Pour augmenter le gain du NE602 on peut monter un FET J310 comme le montre la figure 10 : à l’entrée du
FET nous montons un circuit d’accord L1/C2 (self L1 / condensateur ajustable C2) ; à la place du condensateur ajustable nous pouvons monter en parallèle avec L1 deux varicap et, pour faire varier l’accord (c’est-à-dire la fréquence de résonnance) on fera varier la tension de polarisation des varicap avec un potentiomètre de 10 k.
R1.................................................. 1 k
R2.................................................. 100
C1.................................................. 33 pF céramique
C2.................................................. 100 pF céramique
C3.................................................. 10 nF céramique
C4.................................................. 33 pF céramique
C5.................................................. 1 nF céramique
C6.................................................. 1 nF céramique
JAF1............................................... self de choc HF
L1 .................................................. self d’accord
FT1 ................................................ FET J310
IC ................................................... NE602
Figure 10 : Avant de passer aux schémas des étages oscillateurs
nous vous proposons ce dernier étage d’entrée utilisant un FET
J310 doté d’un circuit accordé qui augmente la sensibilité du
NE602. Le circuit d’entrée L1/C2 est calculé à l’aide des formules
que l’on trouve dans le texte de l’article. Voir le brochage du
FET vu de dessous.
R1.................................................. 10 k potentiomètre
R2.................................................. 100 k
R3.................................................. 2,2 k
C1.................................................. 10 nF céramique
C2.................................................. 470 pF céramique
C3.................................................. 33 pF céramique (voir texte)
C4.................................................. 68 pF céramique (voir texte)
DV1-DV2........................................ diodes varicap
L1 .................................................. self d’accord
IC ................................................... NE602
Figure 11 : Schéma électrique d’un étage oscillateur à accord
variable utilisant à la place d’un condensateur ajustable, en
parallèle avec L1, une paire de varicap. Pour accorder l’entrée
sur la fréquence désirée, il suffit de faire varier l’inductance Z
de L1 et celle des varicap DV1-DV2.
R1.................................................. 10 k potentiomètre
R2.................................................. 100 k
C1.................................................. 10 nF céramique
C2.................................................. 10 nF céramique
C3.................................................. 470 pF céramique
DV1-DV2........................................ diodes varicap
L1 .................................................. self d’accord
IC ................................................... NE602
Figure 12 : Pour doubler l’excursion de l’accord variable, il suffit
de mettre en parallèle 2 varicap, comme le montre la figure ; ces
varicap sont reliées à la self d’accord L1 à travers C2 (10 nF).
R1.................................................. 2,2 k
C1.................................................. 100 pF céramique
C2.................................................. 470 pF céramique
C3.................................................. 33 pF céramique (voir texte)
C4.................................................. 68 pF céramique (voir texte)
L1 .................................................. self d’accord (voir texte)
IC ................................................... NE602
Figure 13 : Pour réaliser un oscillateur à accorder sur une fréquence
fixe, on peut monter en parallèle à L1 un petit condensateur ajustable
de 100 pF. Si ce circuit doit osciller sur des fréquences inférieures
à 30 MHz, il faut augmenter expérimentalement la capacité
des deux condensateurs C3 et C4 en les faisant passer de 33-68
pF à 100-220 pF.
C1.................................................. 100 pF céramique
C2.................................................. 33 pF céramique (voir texte)
C3.................................................. 1 nF céramique
C4.................................................. 100 pF condensateur ajustable
L1 .................................................. self d’accord (voir texte)
XTAL............................................... quartz overtone
IC ................................................... NE602
Figure 14 : Pour faire osciller le NE602 avec un quartz, il suffit
de relier ce dernier à la broche 7 à travers un condensateur C1
de 100 pF et de monter entre la broche 6 et la masse un circuit
d’accord C4/L1 accordé sur la fréquence du quartz. Pour calculer
l’inductance Z de L1, utilisez les formules indiquées dans le texte
de l’article.
R1.................................................. 22 k
C1.................................................. 1 nF céramique
C2.................................................. 33 ou 46 pF céramique
C3.................................................. 100 pF condensateur ajustable
L1 .................................................. self d’accord (voir texte)
XTAL............................................... quartz overtone
IC ................................................... NE602
Figure 15 : Voici une variante que vous pouvez utiliser pour faire
osciller le NE602 sur la fréquence d’un quartz ; ce dernier, avec
R1 en parallèle, est directement relié à la broche 7 et on monte
sur la broche 6, à travers un condensateur C2, un circuit d’accord
C3/L1 accordé sur la fréquence du quartz.
Figure 16 : Pour prélever à la sortie du NE602 un signal symétrique,
il suffit d’appliquer sur les broches 4 et 5 le primaire d’une MF de
455 kHz ou de 10,7 MHz. Le signal HF converti sur cette valeur de
MF est prélevé par l’enroulement secondaire qui se trouve dans
toute MF.
R1 ....... 100
C1........ 10 nF céramique
MF1..... MF de n’importe quel type
IC ......... NE602
Figure 17 : Si vous n’avez nul besoin
de prélever un signal de sortie symétrique,
il suffit de relier une extrémité
de l’enroulement primaire de MF1 à
la broche 5 ou bien à la 4 et l’extrémité
opposée à une résistance R1
de 100 ohms, à relier à son tour au
5-8 V positif alimentant la broche 8.
Le blindage métallique est à relier
impérativement à la masse.
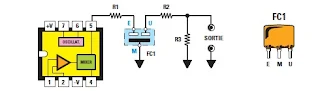
R1.................. 220
R2.................. 220
R3.................. 4,7 k
FC1................ filtre céramique
IC ................... NE602
Note : les broches E-U de FC1 peuvent
être interverties.
Figure 18 : A la place de la MF, on peut
monter broche 5 ou 4 un filtre céramique
FC de 455 kHz ou de 10,7 MHz (ou
de n’importe quelle autre valeur). En
série avec les broches E-U de ce filtre
FC1 on monte des résistances R1 et
R2 de 220 ohms et à la sortie du filtre
Les broches 6-7de l’oscillateur :
Le schéma de la figure 11 sera utilisé par ceux qui veulent faire varier la fréquence de l’oscillateur :
la self d’accord L1 avec deux varicap DV1-DV2 en parallèle est reliée à la broche 6 à travers le condensateur céramique C2 dont la capacité est à choisir entre 330 et 470 pF.
Si on veut faire osciller ce circuit sur des fréquences supérieures à 30 MHz, nous devrons expérimentalement réduire la capacité des deux condensateurs C3 et C4 jusqu’à 10 à 22 pF. Pour faire varier la capacité des varicap on utilise une tension variable prélevée sur le curseur d’un potentiomètre
multitour R1 de 10 k.
Pour connaître la valeur inductive de L1 quand on veut engendrer une fréquence déterminée, on se sert de la formule :
Z = 25 300 : F² x C,
Z étant en μH, F en MHz et C en pF.
Rappelons qu’en montant deux varicap en série on divise leur capacité par deux : si nous avons choisi deux varicap de 40 pF chacune, en série elles auront une capacité totale de 20 pF, à laquelle nous devrons toutefois ajouter les capacités parasites (10-12 pF) dues à la connexion à la self et au support du circuit intégré.
La capacité minimale sera de quelque 22 pF et la maximale de 20+12=32 pF environ. Si nous insérons dans cet oscillateur une self L1 de 4,7 μH, ce circuit s’accordera de :
159 : √ 4.7 x 22= 15,6 MHz
à
152 : √ 4.7 x 32= 12,9 MHz.
Connaissant la fréquence engendrée par l’oscillateur, nous pourrons calculer quelle fréquence sera convertie sur la valeur de la MF. Si on prend comme MF la valeur normalisée de 10,7 MHz (pin 4-5), sachant que l’oscillateur produit une fréquence de 15,6 à 12,9 MHz, le mélangeur convertira sur ce 10,7 MHz les fréquences entrant par les broches d’entrée 1 et 2 égales à :
F osc + MF ou bien F osc – MF.
Par conséquent, en prenant les valeurs de cet exemple, sur les broches d’entrée 1 et 2 nous pourrons appliquer des signaux HF égaux à la somme :
15,6 + 10,7 = 26,3 MHz
et
12,9 + 10,7 = 23,6 MHz
ou bien à la différence :
15,6 – 10,7 = 4,9 MHz
et
12,9 – 10,7 =2,2 MHz.
Si nous montons les deux varicaps en parallèle, comme le montre la figure 12, nous doublons la capacité : avec une capacité minimale égale à 35 pF et une capacité maximale de 80 pF ; avec une L1 de 4,7 μH le circuit s’accordera sur les fréquences allant de :
159 : √4.7 x 35 = 12,3 MHz
à
152 : √4.7 x 80 = 8,2 MHz.
Avec un oscillateur fixe, il faut relier à la broche 7 une self ayant en parallèle un condensateur ajustable C1 d’un valeur de 100 pF, comme le montre la figure 13.
En réglant ce condensateur ajustable C1 en le connectant en parallèle avec la self L1 nous faisons varier
la fréquence pour la fixer à la valeur désirée
Pour faire osciller le NE602 sur la fréquence d’un quartz, nous devons monter ce dernier entre la broche 7 et la masse, comme le montre la figure 14 et relier ensuite entre la broche 6 et la masse une self L1 ayant en parallèle un condensateur ajustable C4 de 100 pF afin d’accorder le circuit L1/C4 sur la fréquence exacte du quartz. La figure 15 donne une variante du schéma de la figure 14.
R1.................................................. 100
R2.................................................. 330
C1.................................................. 10 nF céramique
C2.................................................. 47 μF électrolytique
C3.................................................. 47 μF électrolytique
IC1................................................. régulateur 78L05
IC ................................................... NE602
Figure 21 : Si vous utilisez une tension d’alimentation supérieure
à 12 V, il faut remplacer la zener de la figure 20 par un petit
régulateur 78L05 qui la réduira à 5 V. Là encore, n’oubliez pas
de souder au plus court entre les broches 8 (+V) et 3 (–V) un
condensateur céramique C1 de 4,7 ou 10 nF.
R1................100
R2................à calculer (lire texte)
C1................10 nF céramique
C2................47 μF électrolytique
DZ1 .............zener 6,2 ou 6,8 V
IC .................NE602
Figure 20 : Si vous utilisez une tension
d’alimentation supérieure (9 V), il faut
la réduire à l’aide d’une zener et de sa
résistance de chute de tension ; la zener
aura une tension caractéristique de 6,2 ou
6,8 V ; pour calculer la valeur de la résistance,
retrouvez la formule dans le texte ;
n’oubliez pas de souder au plus court entre
les broches 8 (+V) et 3 (–V) un condensateur
céramique de 4,7 ou 10 nF.
C1........ 10 nF céramique
JAF1..... self de choc HF 10 μH
IC ......... NE602
Figure 19 : Si on alimente le NE602
avec une tension de seulement 5 V,
il faut monter en série dans le positif
une self de filtrage de 10 μH
afin d’éviter toute auto-oscillation ;
de plus, entre les broches 8 et 3,
on montera un condensateur de 10
nF en réalisant la
Les broches 4 et 5 de sortie :
Pour prélever le signal qui ne demande qu’à sortir du NE602, on applique directement sur les broches 4 et 5 une MF normalement accordée sur 455 kHz ou 10,7 MHz, comme le montre la figure 16. La valeur de la MF peut très bien être différente, par exemple à 5,5 MHz ou bien 100 MHz. Le blindage métallique de la MF utilisée doit nécessairement être relié à la masse afon d’éviter qu’elle ne capte des signaux indésirables. Nous savons déjà qu’en fonction de la valeur de la MF nous
prélèverons en sortie un signal égal à :
F osc + MF ou bien F osc – MF.
Une extrémité de la MF peut être reliée aussi à la broche 5 (voir figure 17) et l’extrémité opposée à la tension d’alimentation de 5 à 8 V. On peut remplacer la MF traditionnelle par un filtre céramique de 10,7 MHz, ou de n’importe quelle autre valeur, en le reliant à la broche 5 (voir figure 18).
Les broches 8 et 3 d’alimentation :
Comme vous avez pu le déduire de ses caractéristiques, ce circuit intégré réclame une alimentation par une tension continue comprise entre 5 et 8 V. On l’alimente normalement avec une tension moyenne de 6 ou 6,5 V appliquée broche 8 (+V) ; la broche opposée 3 (–V) est reliée à la masse.
Comme la tension nécessaire pour alimenter les autres circuits entourant le NE602 (varicap d’accord, entre autres) peut atteindre 12-18-24 V, il faut la réduire à 6,2 V au moyen d’une zener de 1/2 W. Pour calculer la valeur de la résistance de chute R2 (voir figure 20) alimentant la zener, nous utilisons la
formule :
R = (Vcc – Vz) : 0,03
Vcc étant la tension d’alimentation en V, Vz la valeur en V de la zener et 0,03
la constante applicable à une zener de 0,5 W ; R sera en ohm. Avec une tension d’alimentation de 12 V
nous utiliserons donc une R de chute de tension de :
R = (12 – 6,2) : 0,03 = 193 ohms.
Nous prendrons une valeur normalisée de 180 ohms. Avec une tension d’alimentation de 18 V nous utiliserons donc une R de chute de tension de :
R = (18 – 6,2) : 0,03 = 393 ohms.
Nous prendrons une valeur normalisée de 390 ohms.
Avec une tension d’alimentation de 24 V nous utiliserons donc une R de chute de
tension de :
R = (24 – 6,2) : 0,03 = 593 ohms.
Nous prendrons une valeur normalisée de 560 ohms.
Le NE602 peut aussi être alimenté en 5 V (voir figure 21) à travers un minuscule régulateur 78L05 (même boîtier qu’un transistor plastique type TO92).
Quand vous réalisez un quelconque circuit à base de NE602, afin d’éviter toute autooscillation, reliez toujours, avec un parcours le plus court possible, la broche 8 et la broche 3 de masse par un condensateur
céramique de 4,7 à 10 nF.






















Aucun commentaire
Enregistrer un commentaire