L’AUTO-SWITCH ou comment éviter courts-circuits et gaspillage
AUTO-SWITCH pour éviter courts-circuits et gaspillage
En effet, dès que l’auto-switch détecte que nous venons d’éteindre l’appareil avec la télécommande, il
le déconnecte complètement du secteur 230 V (les 4 à 5 Wh consommés par le téléviseur, par exemple, vont être épargnés et le risque d’incendie, dû à la surchauffe ou à un éventuel court-circuit, évité).
Cette déconnexion est bien entendu automatique : le circuit contrôle le courant consommé par l’appareil protégé, lequel se réduit nettement quand nous passons de l’utilisation normale au mode “stand-by”. Le courant consommé est testé au moyen d’un petit noyau de ferrite couplé à un capteur à effet Hall : dès qu’il descend en dessous d’un seuil caractéristique, l’auto-switch ouvre un relais, ce qui débranche complètement l’appareil protégé ainsi du réseau électrique domestique. Le branchement au secteur peut ensuite être rétabli lors de la mise sous tension au moyen de la télécommande. Le téléviseur n’est qu’un exemple : l’auto-switch peut protéger tout appareil doté d’un système de “stand-by”.
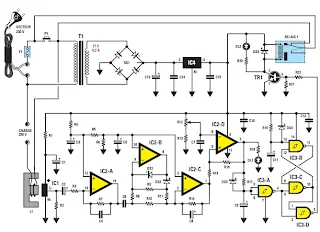
Figure 1 : Schéma électrique de l’auto-switch complet, alimentation secteur 230 V comprise. Le courant consommé par la charge,
traverse les deux spires bobinées au centre d’un petit noyau de ferrite en E, au contact duquel on a placé un capteur à effet
Hall. La surface de ce capteur, excité par le champ magnétique engendré par le noyau, produit une tension proportionnelle au
courant traversant les spires.
Figure 2 : Brochages des circuits intégrés vus de dessus, du régulateur et de la LED vus
de face et du transistor vu de dessous.
Figure 3 : Brochage du circuit
intégré UGN3503 vu de face. Le
côté sensible est à mettre en
contact avec le noyau de ferrite
(c’est le côté ne comportant
aucun marquage).
Le schéma électrique :
Commençons la description du schéma électrique de la figure 1 par le petit noyau de ferrite couplé à un capteur
Hall linéaire, dont la fonction est de mesurer le courant consommé par la charge. Comme le montre la figure
1, sur la partie centrale du noyau en E quelques spires de fil ont été bobinées : elles sont en série avec la
charge (voir L1).
Quand le courant alternatif consommé par la charge parcourt les spires bobinées sur le noyau de ferrite, il se produit un champ magnétique, amplifié par le noyau de ferrite. La surface magnéto-sensible du capteur à effet
Hall IC1, mis au contact du noyau, est ainsi excité, ce qui engendre un signal en tension, lui-même alternatif, dont la valeur est proportionnelle à la valeur des courants traversant les spires. Cette tension est envoyée à la broche 13 (= entrée inverseuse) de l’opérationnel IC2/A. Le signal ainsi amplifié est ensuite acheminé vers l’entrée inverseuse de IC2/B lequel, associé aux diodes DS1-DS2, au condensateur C5 et au circuit intégré IC2/C, constitue un circuit redresseur à double alternance. La fonction de ce circuit est de fournir sur la broche de sortie 1 de IC2/C une tension continue dont la valeur est fonction du courant alternatif consommé par la charge. Cette tension continue est ensuite envoyée à la broche 5 (= entrée non inverseuse) de IC2/D, un comparateur de tension dont la valeur de seuil est fixée au moyen du trimmer R12. Si la tension présente à l’entrée non inverseuse du comparateur est inférieure à la tension de seuil, nous aurons une tension de 0 V à la sortie du comparateur. Si la tension d’entrée du comparateur est supérieure à la tension de seuil, nous
aurons une tension positive de 12 V à la sortie du comparateur, ce qui provoquera l’allumage de la LED DL1. La tension à la sortie du comparateur est ensuite envoyée aux broches 5 et 6 de la porte NAND du CD4093 (IC3/A), utilisée comme “inverter” (inverseur), dont la sortie est reliée à la broche 2 de la porte NAND IC3/D, ainsi qu’à la broche 9 de la porte NAND IC3/C. Comme le montre la figure 1, la broche 10 de la porta IC3/C est reliée à la broche 12 de la porte IC3/B, formant avec celle-ci un FLIP-FLOP. La sortie du FLIP-FLOP (broche 10 de IC3/C), est ensuite acheminée vers la broche 1 de la porte NAND
IC3/D. Nous requérons votre attention à propos de cette porte NAND car, selon les niveaux logiques présents sur ses deux entrées, elle permet, au moyen du transistor NPN BC547 TR1, d’exciter ou bien de relaxer le relais 1 de 12 V, avec pour effet de fournir ou de couper la tension d’alimentation de la charge. La LED DL2, montée aux bornes de l’enroulement du relais, permet d’en visualiser l’état.
Terminons la description du circuit électrique avec l’alimentation 12 V, réalisée en prélevant la tension du secteur au moyen du transformateur T1. Les 17 V AC fournis par son secondaire sont redressés par le pont RS1 et lissés par le condensateur C13 de 1 000 μF, ce qui nous permet de récupérer une tension continue d’environ 22 V, ensuite envoyée au régulateur de tension L7812 (voir IC4) lequel en tire une tension stabilisée de 12 V positifs, utilisée pour alimenter les opérationnels et les C/MOS du circuit ainsi que le relais relié à la charge.
Figure 4 : Photo d’un des prototypes de l’auto-switch installé dans son boîtier plastique
et vu du côté du panneau arrière d’où sort le cordon secteur 230 V et où sont montés le
porte-fusible et la prise à laquelle raccorder l’appareil à protéger.
Figure 5 : Photo d’un des prototypes de la platine de l’auto-switch prêt à être installé
dans le boîtier plastique. Sur le noyau de ferrite, enroulez deux spires en faisant passer
le fil à travers les trous prévus dans le circuit imprimé.
Le fonctionnement de l’auto-switch :
Après avoir vu le schéma électrique, donnons une brève description du fonctionnement du circuit. Supposons que nous ayons débranché le cordon du secteur et donc coupé ainsi l’alimentation de la
charge comme celle de l’auto-switch. Si nous rebranchons maintenant la fiche à la prise secteur, la tension sur la charge ne change pas, car le poussoir P1 étant relâché, aucune tension ne parvient au transformateur T1 ni, de ce fait , au RELAIS 1, lequel reste relaxé, ce qui ne fournit aucune tension à la charge. Si nous pressons maintenant le poussoir P1, nous alimentons le transformateur T1 et fournissons donc à tout le circuit l’alimentation en 12 V.
Si nous regardons bien le circuit formé par le FLIP-FLOP IC3/B-IC3/C et la porte NAND IC3/D, reliée au transistor TR1, nous pouvons comprendre que le condensateur C11, étant initialement déchargé, force au niveau logique 0 la broche 13 de IC3/B à laquelle il est relié. D’autre part, le condensateur C9 relié aux broches 5 et 6 de la porte NAND IC3/A est lui aussi déchargé, ce qui met la broche 4 de IC3/A au niveau
logique 1. Dans cette condition, le FLIPFLOP met au niveau logique 0 sa broche de sortie 10, reliée à la broche 1 de la porte NAND IC3/D. Celle-ci à son tour met un niveau logique 1 sur la broche de sortie 3 de cette même porte, reliée à la base du transistor TR1, lequel entrant en conduction, excite le relais 1.
Ainsi nous mettons la charge sous tension et en même temps le transformateur T1, si bien que si nous relâchons le poussoir P1, notre dispositif se maintient alimenté. Le courant consommé par le téléviseur en fonctionnement normal, provoque une tension positive sur la broche 1 di IC2/C qui, étant supérieure à la valeur du seuil paramétré avec R12, engendre sur la broche 7 de sortie du comparateur une tension positive allumant la LED DL1 et produisant un niveau logique 0 sur la broche 4 de IC3/A, reliée à l’entrée du FLIP-FLOP. Cela provoque maintenant la commutation du FLIP-FLOP et porte à 1 le niveau logique sur sa broche 10 de sortie.
Toutefois, étant donné que sur la broche 4 de la porte NAND IC3/A se trouve un niveau logique 0, cela détermine sur la broche de sortie 3 de la porte NAND IC3/D un niveau logique 1, qui maintient excité le relais 1 alimentant la charge .
Supposons maintenant que nous mettions en “stand-by” le téléviseur avec la télécommande. Le courant consommé chute brusquement sous le seuil fixé par le comparateur et, ainsi, la tension sur la broche 7 du comparateur IC2/D passe à 0 V. La LED DL1 s’éteint pour signaler la déconnexion de la charge par rapport au secteur et sur la broche 4 de la NAND IC3/A nous avons un niveau logique 1 lequel, avec le niveau logique 1 déjà présent sur la broche 10 de sortie du FLIP-FLOP, détermine un niveau logique 0 sur la broche de sortie de la NAND IC3/D, bloque le transistor TR1 et relaxe le relais 1. Cela provoque la déconnexion du secteur du transformateur T1 et nous ramène à la condition de départ.
Figure 6a : Schéma d’implantation des composants de l’auto-switch. Pour maintenir le noyau de ferrite parfaitement en contact avec
le circuit intégré capteur Hall IC1, nous vous conseillons, une fois le montage des composants terminé, de le fixer au circuit imprimé
avec un peu de colle-mastic au silicone.
La réalisation pratique :
Pour réaliser cet appareil de sécurité et d’économie domestique, il vous faut le circuit imprimé double face à trous métallisés EN1589, sur lequel tous les composants seront montés, hormis les commandes, signalisations et E secteur / S charge, réparties entre la face avant et la panneau arrière, comme le montrent les figures 4, 6a et 7 : la figure 6b-1 et 2 donne les dessins des deux faces à l’échelle 1.
Il serait bon de commencer par enfoncer les picots (cela demande un certain effort incompatible avec la présence des composants fragiles) et de les souder ; puis montez les deux supports de circuits intégrés (attention, ni court-circuit entre pistes ou pastilles ni soudure froide collée), vérifiez bien ce premier travail puis montez tous les autres composants en allant des plus bas (résistances, diodes, etc.) aux plus
hauts (électrolytiques, relais, régulateur, borniers, transformateur secteur). Contrôlez avant soudure l’orientation des composants polarisés (électrolytiques, diodes, transistor, pont redresseur, régulateur et circuits intégrés, n’insérant ces derniers dans leurs supports qu’après le montage dans le boîtier et la dernière connexion réalisée). Vérifiez bien, plusieurs fois, l’orientation de ces composants polarisés et la qualité de
toutes les soudures, puis passez à l’installation dans le boîtier.
Figure 6b-1 : Dessin, a l’échelle 1, du circuit imprimé double face à trous métallisés de
la platine de l’auto-switch, côté soudures.
Figure 6b-2 : Dessin, a l’échelles 1, du circuit imprimé double face à trous métallisés
de la platine de l’auto-switch, côté composants.
Prenez alors la face avant en aluminium anodisé et sérigraphié du boîtier et montez les deux voyants à LED (attention à la polarité : la patte la plus longue est l’anode) et l’interrupteur M/A, comme le montrent les
figures 6a et 7. Saisissez-vous enfin du panneau arrière, montez-y le porte-fusible, la prise de sortie avec terre pour la charge 230 V et le passe-fil en caoutchouc, enfilez le cordon secteur et faites un noeud à l’intérieur afin d’éviter les contraintes mécaniques sur les borniers (voir figures 4, 6a et 7).
Prenez la platine, fixez-la au fond du boîtier ; à l’aide des quatre vis autotaraudeuses, comme le montre la figure 7. Vous pouvez commencer à effectuer les connexions entre la platine et la face avant et le panneau arrière. Utilisez du fil simple isolé de couleur et des paires. Voir figures 6a et 7.
Toutes ces connexions étant faites et vérifiées, vous pouvez insérer les deux circuits intégrés dans leurs supports avec beaucoup de soin et dans le bon sens (le repère-détrompeur en U doit “regarder” dans la bonne direction, basez-vous sur les composants voisins, en l’occurrence vers C10 pour IC2 et R20 pour IC3).
Les réglages :
Avant de refermer le couvercle du boîtier, il convient d’effectuer le réglage du seuil d’intervention de l’autoswitch, ceci pour l’adapter à l’appareil à protéger (téléviseur, magnétoscope, décodeur, etc.). Pour ce faire, procédez comme suit :
– reliez l’auto-switch à la charge, par exemple à votre téléviseur,
– tournez le trimmer R12 complètement dans le sens anti-horaire,
– après avoir relié l’auto-switch au secteur, pressez le poussoir Power et les LED Load et Relais On (en face avant) s’allument et en même temps le téléviseur est alimenté.
Après avoir mis le téléviseur en “standby”, tournez lentement le trimmer R12 dans le sens horaire, jusqu’à ce que la LED Load s’éteigne.
En même temps vous verrez s’éteindre aussi la LED Relais On et le relais se relaxer (ce qui éteint le téléviseur). Le réglage du seuil d’intervention de l’auto-switch est alors terminée.
Figure 7 : Photo d’un des prototypes de la platine de l’auto-switch installé dans le boîtier
plastique (voir figures 4, 5 et 6a). La fixation se fait par quatre vis autotaraudeuses au
fond du boîtier et les connexions avec la face avant et le panneau arrière au moyen
de picots, de borniers et de fils gainés de diamètres adéquats, sans oublier le cordon
secteur avec terre (fil jaune et noir).
Comment se servir de l’appareil :
La mise sous tension :
Après avoir relié la charge, par exemple le téléviseur, à l’auto-switch, pressez le poussoir Power de ce dernier et la LED Relais On s’allume pour indiquer que le téléviseur est relié au secteur.
Note : assurez-vous que l’interrupteur d’allumage du téléviseur est bien sur ON.
La LED de “stand-by” du téléviseur s’allume. Pressez le poussoir de “stand-by” situé sur la télécommande,
le téléviseur s’allume normalement et la LED Load de l’auto-switch s’allume, afin de confirmer le bon fonctionnement du circuit de contrôle.
L’extinction :
Pour éteindre le téléviseur, pressez à nouveau le poussoir “stand-by” de la télécommande. Les LED Load et Relais On en face avant de l’auto-switch s’éteignent toutes les deux et en même temps le téléviseur est déconnecté du secteur.










Aucun commentaire
Enregistrer un commentaire